Return

Yamaha AVENTURA XT1200ZE SuperTenere 2014

Add model to garage

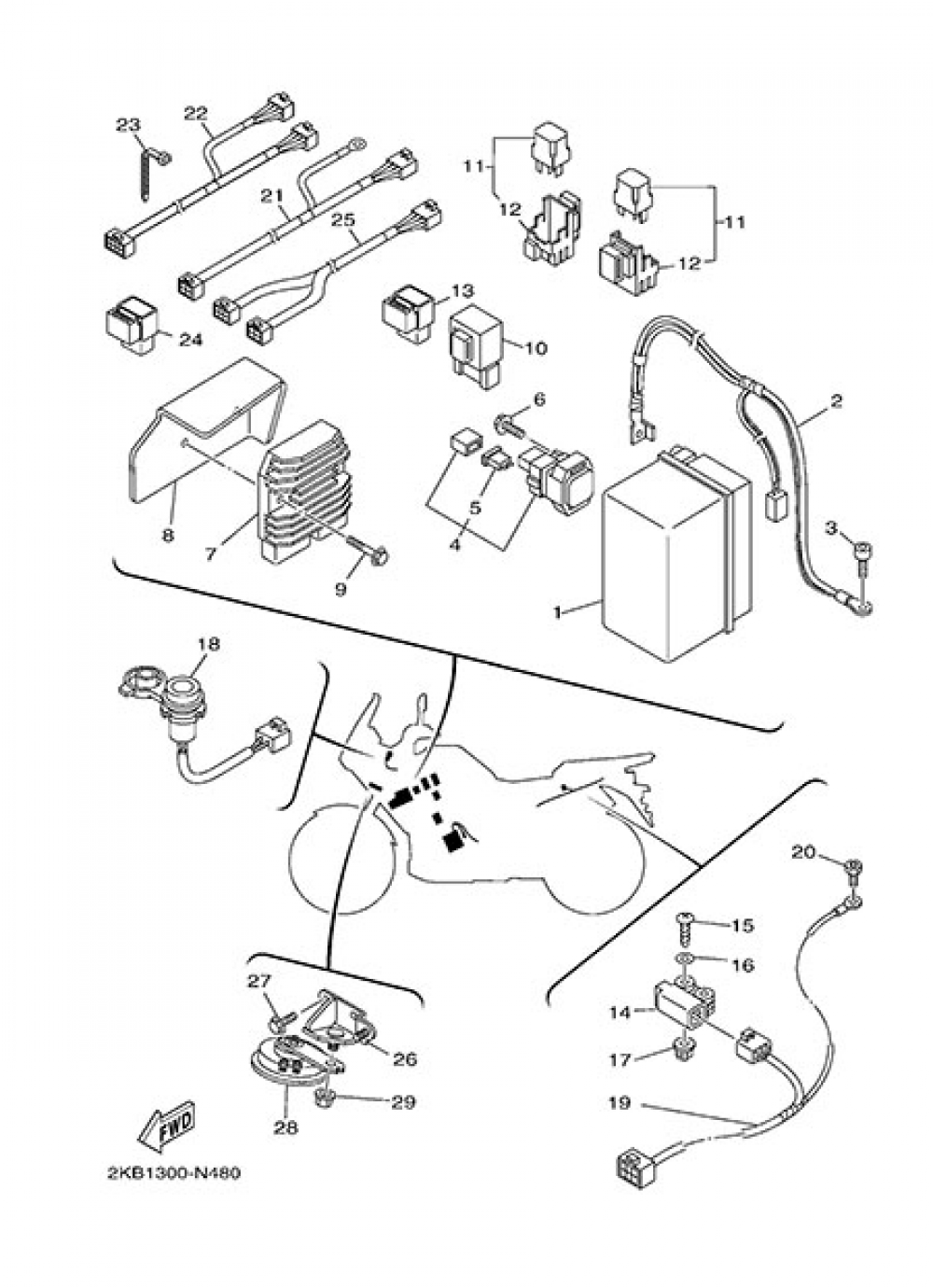
ELECTRIC EQUIPMENT 2 Yamaha XT1200ZE SuperTenere 2014

Pos. Ref./Description Price Qty.
1 BATTERY (YTZ12-S)
23P821000000
145,07 € 1 Add
2 WIRE, MINUS LEAD
23P821160000
58,58 € 1 Add
3 BOLT,SOCKET
913170601200 913120601200
0,93 € 1 Add
4 STARTER RELAY ASSY (RC19-018)
4YR819400200
111,73 € 1 Add
5 FUSE (12V 30A)
1AE821510000
2,43 € 10 Add
6 BOLT, FLANGE
950220600800
0,46 € 1 Add
7 RECTIFIER & REGULATOR ASSY
1D7819600100
390,22 € 1 Add
8 PLATE, RECTIFIER FITTING
23P819750000
56,17 € 1 Add
9 BOLT, FLANGE
958170603000 958020603000
0,93 € 1 Add
10 RELAY CONJUNTO
5VK819504300 5VK819504000
112,49 € 1 Add
11 RELAY ASSY (1ST-00)
1ST819500000
19,31 € 1 Add
12 HOLDER, RELAY
5JJ819520000
8,49 € 1 Add
13 RELAY CONJUNTO
5JJ819501100 5JJ819501000
104,13 € 1 Add
14 INTERRUP.DE PARADA COMPLETO
5VU825760300 5VU825760100
161,07 € 1 Add
15 SCREW, TAPPING
977024002500
0,41 € 1 Add
16 WASHER, PLATE
902010403000
0,74 € 1 Add
17 NUT, ADJUSTING
4B4843340000
4,88 € 1 Add
18 TERMINAL COMP.
23P8254B0000
98,87 € 1 Add
19 WIRE, SUB LEAD
23P825090000
54,16 € 1 Add
20 SCREW, HEXAGON (18V)
901530604400
2,12 € 1 Add
21 WIRE, LEAD
23P825410000
9,20 € 1 Add
22 WIRE, SUB LEAD
2KB825090000
115,53 € 1 Add
23 CLAMP(4FM)
904641519500
2,97 € 1 Add
24 RELAY CONJUNTO
5DM819500100 5DM819500000
58,34 € 1 Add
25 WIRE, SUB LEAD
2KB825091000
126,95 € 1 Add
26 STAY, HORN
2BS8332P0000
24,41 € 1 Add
27 BOLT, FLANGE
958170601200 901050618100
0,22 € 1 Add
What do our customers think? Average score: 10,00 / 10
0 My bikes

This site uses it's own and third party cookies to improve the users experience. Under no circumstance will they be used to gather personal information. You can accept or reject their use. You will find more information on our cookie policy